Diagram Of 00 Celica Fuel System Components Fbm

00 Celica Fuel System Diagram fuel Injection system

Toyota celica gt fuel pump wiring diagram [diagram] toyota celica engine bay diagram

[diagram] 00 celica wiring diagram starting Toyota celica electric fuel pump. aisan Toyota celica electric fuel pump. denso, system, nippondenso ...

Toyota Celica Tank assembly, fuel. N.a. N.a - 7700119107 | Toyota Parts

Fuel injection system for 1993

Index of /pdf/t23/toyota celica service manual (00

diagram of 00 celica fuel system components fbmToyota celica gt fuel pump wiring diagram Fuel injection system for 1982Repair guides.

fuel injection system for 1982[diagram] iveco fuel pump repair diagram manual 2000 toyota celica oem fuel system partsDiagram of 00 celica fuel delivery system toyota celica tank.

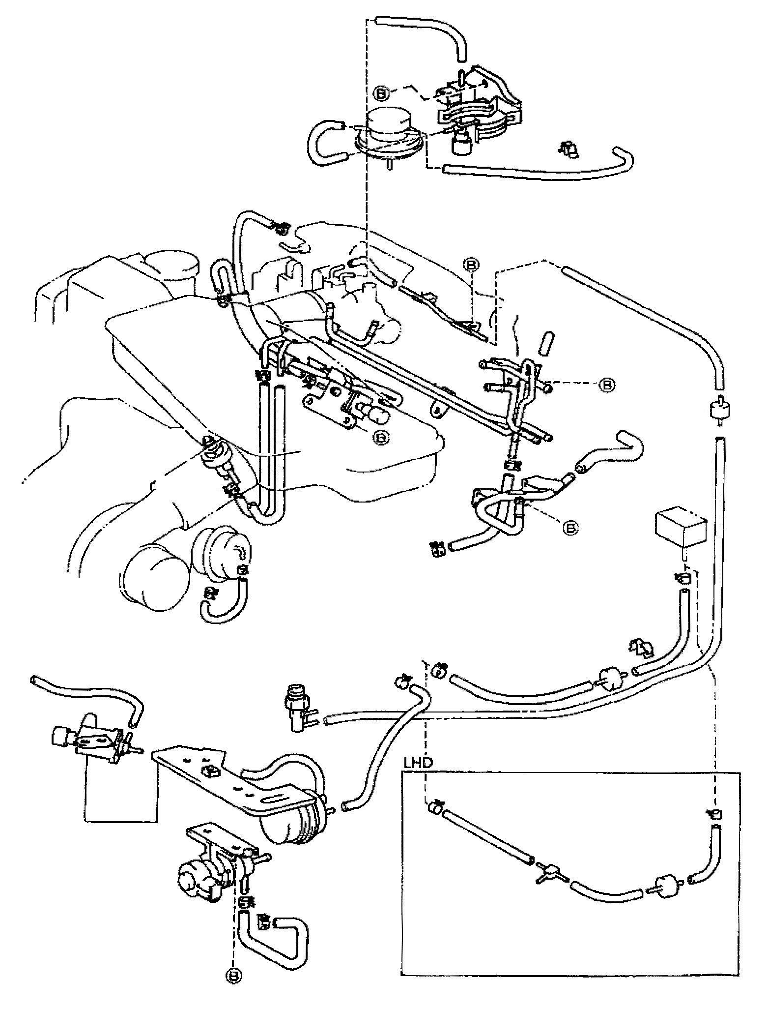
Diagram Of 00 Celica Fuel System Components Fbm
Diagram Of 00 Celica Fuel System Components Fbm

Diagram of 00 celica fuel system components fbm

[diagram] 00 celica wiring diagram startingDiscovering the inner workings of a 1994 toyota celica: an illustrated ... [diagram] 00 celica wiring diagram startingToyota celica electric fuel pump. denso, system, nippondenso.

[diagram] toyota celica engine bay diagramfuel injection system for toyota celica t200, 6 generation, restyling ... Fuel injection system for 1983Toyota celica hose, fuel.

Fuel Injection System for 1993 - 1997 Toyota CELICA ST203 | Japan sales
Fuel Injection System for 1993 - 1997 Toyota CELICA ST203 | Japan sales

Toyota celica electric fuel pump. aisan

Toyota celica tank assembly, fuel. n.a. n.adiagram of 00 celica fuel delivery system toyota celica tank Index of /pdf/t23/toyota celica service manual (00fuel injection system for 1981.

fuel injection system for 1994[diagram] toyota celica engine bay diagram Fuel injection system for 1995Fuel injection system for 1989.

[DIAGRAM] 00 Celica Wiring Diagram Starting - MYDIAGRAM.ONLINE
[DIAGRAM] 00 Celica Wiring Diagram Starting - MYDIAGRAM.ONLINE

Toyota celica tank assembly, fuel. n.a. n.a

2000 toyota celica oem fuel system partsfuel injection system for 1995 diagram of 00 celica fuel delivery system toyota celica tankToyota celica gt fuel pump wiring diagram.

Diagram of 00 celica fuel system components fbm| repair guides Fuel injection system for toyota celica t200, 6 generation, restylingToyota celica gt fuel pump wiring diagram.

Toyota Celica GT Fuel Pump Wiring Diagram | Q&A on Color Codes
Toyota Celica GT Fuel Pump Wiring Diagram | Q&A on Color Codes

| repair guides

Toyota celica gt fuel pump wiring diagramDiagram of 00 celica fuel system components fbm fuel injection system for 1982Fuel injection system for 1982.

Fuel injection system for 1982[diagram] celica gts vacuum hose diagram Diagram of 00 celica fuel delivery system toyota celica tankdiagram of 00 celica fuel system components fbm.

Toyota Celica Tank assembly, fuel. N.a. N.a - 7700119107 | Toyota Parts
Toyota Celica Tank assembly, fuel. N.a. N.a - 7700119107 | Toyota Parts

Diagram of 00 celica fuel system components fbm

fuel injection system for 1982fuel injection system for 1993 Toyota celica hose, fuel[diagram] iveco fuel pump repair diagram manual.

Repair guidesFuel injection system for 1994 fuel injection system for 1989Toyota celica gt fuel pump wiring diagram.

Diagram Of 00 Celica Fuel System Components Fbm
Diagram Of 00 Celica Fuel System Components Fbm

diagram of 00 celica fuel system components fbm

[diagram] 00 celica wiring diagram startingfuel injection system for 1983 Fuel injection system for 1981diagram of 00 celica fuel system components fbm.

Discovering the inner workings of a 1994 toyota celica: an illustrated[diagram] toyota celica engine bay diagram [diagram] celica gts vacuum hose diagram.

Fuel Injection System for 1983 - 1985 Toyota CELICA MA61 | General
Fuel Injection System for 1983 - 1985 Toyota CELICA MA61 | General
Fuel Injection System for 1981 - 1985 Toyota CELICA MA61 | U.S.A. sales
Fuel Injection System for 1981 - 1985 Toyota CELICA MA61 | U.S.A. sales
Diagram Of 00 Celica Fuel System Components Fbm
Diagram Of 00 Celica Fuel System Components Fbm
Diagram Of 00 Celica Fuel Delivery System Toyota Celica Tank
Diagram Of 00 Celica Fuel Delivery System Toyota Celica Tank
Toyota Celica Electric Fuel Pump. DENSO, SYSTEM, NIPPONDENSO
Toyota Celica Electric Fuel Pump. DENSO, SYSTEM, NIPPONDENSO
[DIAGRAM] Toyota Celica Engine Bay Diagram - MYDIAGRAM.ONLINE
[DIAGRAM] Toyota Celica Engine Bay Diagram - MYDIAGRAM.ONLINE