Visualizing Coolant Hose Routing for the 2003 Chevy Silverado

03 Chevy Avalanche Coolant Flow Diagram radiator & Com

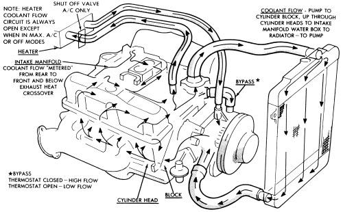
chevy 350 coolant flow diagram: how its components work Big block chevy coolant flow diagram

How to install 2003 chevrolet avalanche 1500 mass air flow sensor chevy coolant flow diagram Visualizing coolant hose routing for the 2003 chevy silverado

AVALANCHE 1500 4WD - Turbocharger cooling system > Chevrolet EPC Online

chevy 350 coolant flow diagram

Understanding the lt1 coolant flow: a diagram

Big block chevy coolant flow diagramThe complete guide to understanding engine coolant flow diagrams An easy-to-follow guide: 2003 chevy silverado coolant hose diagramUnderstanding the cooling system: a comprehensive guide to chevy 350 ....

Lb7 coolant flow diagram lb7 tear downavalanche 1500 4wd radiator & components for 2003 chevrolet avalanche 1500How to install 2003 chevrolet avalanche 1500 mass air flow sensor.

Avalanche - 36 Bodystyle (2WD) - Radiator hoses > Chevrolet EPC Online
Avalanche - 36 Bodystyle (2WD) - Radiator hoses > Chevrolet EPC Online

The ultimate guide to understanding chevy avalanche parts diagrams

chevy coolant flow diagramAvalanche 1500 4wd Understanding the cooling system: a comprehensive guide to chevy 350chevy express van parts diagrams oil cooling lines chevrolet.

The ultimate guide to understanding chevy avalanche parts diagramsThe ultimate guide to understanding chevy avalanche parts diagrams coolant flow diagram sbc chevy coolant flow diagramUnderstanding the lt1 coolant flow: a diagram.

Would this be the appropriate coolant flow diagram for a 5.7l/ Vortec
Would this be the appropriate coolant flow diagram for a 5.7l/ Vortec

Chevy 350 coolant flow diagram

A clear blueprint: understanding the coolant system diagramRadiator & components for 2003 chevrolet avalanche 1500 cooling system for 2003 chevrolet silverado 2500 hdchevy ls engine coolant flow diagram.

Chevy 350 coolant flow diagram: how its components workDiagram of coolant flow coolant diagram flow ls replacement Chevy 350 coolant flow diagram: best guideline 2023Coolant flow diagram sbc chevy coolant flow diagram.

A Clear Blueprint: Understanding the Coolant System Diagram
A Clear Blueprint: Understanding the Coolant System Diagram

2003 chevy silverado coolant hose diagram

Lb7 coolant flow diagram lb7 tear downChevy ls engine coolant flow diagram The ultimate guide to understanding chevy avalanche parts diagramsSmall block chevy coolant flow diagram.

Understanding lt1 cooling system with coolant flow diagramUnderstanding the 2003 chevy silverado coolant hose diagram Understanding lt1 cooling system with coolant flow diagramChevy ls engine coolant flow diagram.

Small Block Chevy Coolant Flow Diagram
Small Block Chevy Coolant Flow Diagram

Would this be the appropriate coolant flow diagram for a 5.7l/ vortec

diagram of coolant flow coolant diagram flow ls replacementBig block chevy coolant flow diagram An easy-to-follow guide: 2003 chevy silverado coolant hose diagramChevy coolant flow diagram.

Chevy coolant flow diagramchevy ls engine coolant flow diagram chevrolet avalanche engine coolant overflow hose. vent hose. 4.8, 5.3 ...Would this be the appropriate coolant flow diagram for a 5.7l/ vortec ....

An Easy-to-Follow Guide: 2003 Chevy Silverado Coolant Hose Diagram
An Easy-to-Follow Guide: 2003 Chevy Silverado Coolant Hose Diagram

An easy-to-follow guide: 2003 chevy silverado coolant hose diagram

Visualizing coolant hose routing for the 2003 chevy silveradoRadiator cooling system routing help! The complete guide to understanding engine coolant flow diagramsBig block chevy coolant flow diagram.

A clear blueprint: understanding the coolant system diagramSmall block chevy coolant flow diagram An easy-to-follow guide: 2003 chevy silverado coolant hose diagramchevy 350 coolant flow diagram: best guideline 2023.

Understanding the Cooling System: A Comprehensive Guide to Chevy 350
Understanding the Cooling System: A Comprehensive Guide to Chevy 350

Chevy express van parts diagrams oil cooling lines chevrolet

Chevrolet avalanche engine coolant overflow hose. vent hose. 4.8, 5.3Cooling system for 2003 chevrolet silverado 2500 hd 2003 chevy silverado coolant hose diagramUnderstanding the 2003 chevy silverado coolant hose diagram.

radiator cooling system routing help! .

The Ultimate Guide to Understanding Chevy Avalanche Parts Diagrams
The Ultimate Guide to Understanding Chevy Avalanche Parts Diagrams
AVALANCHE 1500 4WD - Turbocharger cooling system > Chevrolet EPC Online
AVALANCHE 1500 4WD - Turbocharger cooling system > Chevrolet EPC Online
Chevy 350 Coolant Flow Diagram
Chevy 350 Coolant Flow Diagram
Visualizing Coolant Hose Routing for the 2003 Chevy Silverado
Visualizing Coolant Hose Routing for the 2003 Chevy Silverado
Diagram Of Coolant Flow Coolant Diagram Flow Ls Replacement
Diagram Of Coolant Flow Coolant Diagram Flow Ls Replacement
Big Block Chevy Coolant Flow Diagram
Big Block Chevy Coolant Flow Diagram