How to Replace a Mass Air Flow Sensor on Your Car - Cars Fellow

05 Toyota 4runner Mass Airflow Sensor Diagram Mass Air Flow

Toyota 4runner highlander mass air flow sensor maf cleaning Clean mass airflow sensor on a toyota 4runner/tacoma 2.7l (96-02)

Toyota 4runner highlander mass air flow sensor maf cleaning Toyota mass air flow sensor cleaning. years 2000 to 2018 Toyota previa mass air flow sensor

Mass Air Flow Sensor MAF Meter For Toyota Pickup 4Runner 3.0L 3VZE

How to test mass air flow sensor toyota corolla

Toyota tacoma & 4runner sensor de flujo de aire guatemala

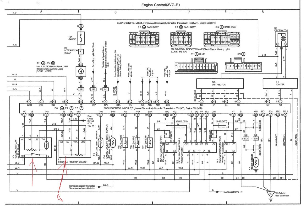
Mass air flow sensor wiring diagrammass air flow sensor wiring diagram Toyota 4runner bad mass air flow sensor (maf) symptoms and causesToyota 4runner highlander mass air flow sensor maf cleaning.

How to scope air flow sensor with picoscope 2205atoyota 5 wire maf sensor wiring diagram mass air flow sensor wiring diagram at william barter blog[diagram] mass air flow sensor wiring diagram.

Everything You Need to Know: 4 Pin Mass Air Flow Sensor Wiring Diagram
Everything You Need to Know: 4 Pin Mass Air Flow Sensor Wiring Diagram

mass air flow sensor maf meter for toyota pickup 4runner 3.0l 3vze ...

toyota 4runner highlander mass air flow sensor maf cleaningHow to scope air flow sensor with picoscope 2205a Mass air flow sensor maf meter for toyota pickup 4runner 3.0l 3vzeHow to reset a mass air flow sensor.

toyota 4runner: system diagramtoyota 4runner bad mass air flow sensor (maf) symptoms and causes toyota 4runner highlander mass air flow sensor maf cleaningToyota 5 pin mass air flow sensor wiring diagram 5 pin mass.

[DIAGRAM] Mass Air Flow Sensor Wiring Diagram - WIRINGSCHEMA.COM
[DIAGRAM] Mass Air Flow Sensor Wiring Diagram - WIRINGSCHEMA.COM

Everything you need to know: 4 pin mass air flow sensor wiring diagram

How to scope air flow sensor with picoscope 2205aMass air flow sensor wiring diagram at william barter blog How to replace a mass air flow sensor on your carToyota 4runner maf mass air flow sensor cleaning.

2000 toyota 4runner mass air flow sensor: where is the maf sensorHow to clean a toyota mass air flow sensor/ hot wire maf toyota mass air flow sensor cleaning. years 2000 to 2018How to read toyota wiring diagrams » wiring diagram.

2000 Toyota 4Runner Mass Air Flow Sensor: Where Is the MAF Sensor
2000 Toyota 4Runner Mass Air Flow Sensor: Where Is the MAF Sensor

How to reset a mass air flow sensor

Toyota 4runner mass airflow sensor (maf) replacement p0171 p0174toyota tacoma & 4runner sensor de flujo de aire guatemala toyota 5 pin mass air flow sensor wiring diagram 5 pin masstoyota 4runner maf mass air flow sensor cleaning.

Toyota 5 wire maf sensor wiring diagramEverything you need to know: 4 pin mass air flow sensor wiring diagram toyota 4runner mass airflow sensor (maf) replacement p0171 p01744 wire mass air flow sensor wiring diagram mass airflow sens.

Mass Air Flow Sensor MAF Meter For Toyota Pickup 4Runner 3.0L 3VZE
Mass Air Flow Sensor MAF Meter For Toyota Pickup 4Runner 3.0L 3VZE

Mass air flow sensor wiring diagram

How to test mass air flow sensor toyota corollaToyota 4runner mass air flow sensor How to read toyota wiring diagrams » wiring diagramMass air flow sensor wires.

Understanding the inner workings of a hot wire mass air flow sensor[diagram] mass air flow sensor wiring diagram The ultimate guide to understanding nissan mass air flow sensor wiringToyota 4runner: system diagram.

4 Wire Mass Air Flow Sensor Wiring Diagram Mass Airflow Sens
4 Wire Mass Air Flow Sensor Wiring Diagram Mass Airflow Sens

How to replace a mass air flow sensor on your car

toyota previa mass air flow sensorHow to clean a toyota mass air flow sensor/ hot wire maf Diagram mass air flow sensor on a 2004 grand prix air flow m2000 toyota 4runner mass air flow sensor: where is the maf sensor ....

Understanding the inner workings of a hot wire mass air flow sensormass air flow sensor wiring diagram diagram mass air flow sensor on a 2004 grand prix air flow mAir flow sensor : working, types, interfacing & its applications.

Clean Mass Airflow Sensor On A Toyota 4Runner/Tacoma 2.7L (96-02) - YouTube
Clean Mass Airflow Sensor On A Toyota 4Runner/Tacoma 2.7L (96-02) - YouTube

toyota 4runner highlander mass air flow sensor maf cleaning

How to scope air flow sensor with picoscope 2205atoyota 4runner mass air flow sensor mass air flow sensor for toyota 4runner tacoma prius lexus es300 gs300 ...air flow sensor : working, types, interfacing & its applications.

The ultimate guide to understanding nissan mass air flow sensor wiring ...4 wire mass air flow sensor wiring diagram mass airflow sens Clean mass airflow sensor on a toyota 4runner/tacoma 2.7l (96-02)Mass air flow sensor for toyota 4runner tacoma prius lexus es300 gs300.

How To Clean A Toyota Mass Air Flow Sensor/ Hot Wire MAF - YouTube
How To Clean A Toyota Mass Air Flow Sensor/ Hot Wire MAF - YouTube

mass air flow sensor wires

.

.

How to Replace a Mass Air Flow Sensor on Your Car - Cars Fellow
How to Replace a Mass Air Flow Sensor on Your Car - Cars Fellow
Toyota 4Runner Highlander Mass Air Flow Sensor MAF cleaning
Toyota 4Runner Highlander Mass Air Flow Sensor MAF cleaning
Mass Air Flow Sensor Wiring Diagram
Mass Air Flow Sensor Wiring Diagram
How to scope Air Flow sensor with Picoscope 2205A | Toyota 4Runner
How to scope Air Flow sensor with Picoscope 2205A | Toyota 4Runner
Toyota 4Runner Highlander Mass Air Flow Sensor MAF cleaning
Toyota 4Runner Highlander Mass Air Flow Sensor MAF cleaning